Các sản phẩm
TRANG CHỦ > Sản phẩm
Máy biến dòng LMZW9-0.66
  • Máy biến dòng LMZW9-0.66Máy biến dòng LMZW9-0.66
  • Máy biến dòng LMZW9-0.66Máy biến dòng LMZW9-0.66

Máy biến dòng LMZW9-0.66

Mua Máy biến dòng LMZW9-0.66 chất lượng cao từ nhà sản xuất Comewill của Trung Quốc. Máy biến áp này được thiết kế đặc biệt cho các mạch điện xoay chiều 50Hz có định mức từ 0,66kV trở xuống, đáp ứng các yêu cầu quan trọng về giám sát dòng điện chính xác và đo năng lượng trong lĩnh vực phân phối điện công nghiệp và xây dựng. Sử dụng quy trình đúc nhựa không bão hòa, thiết bị này có cấu trúc chắc chắn với khả năng chống ẩm và ổn định nhiệt tuyệt vời, giúp giảm chi phí bảo trì một cách hiệu quả trong toàn bộ vòng đời của nó.
Là nhà sản xuất thiết bị điện chuyên nghiệp tại Trung Quốc, Comewill tuân thủ nghiêm ngặt tiêu chuẩn IEC 61869, đảm bảo hiệu suất ổn định và đáng tin cậy của Máy biến dòng LMZW9-0.66. Thiết kế gắn cố định của nó giúp đơn giản hóa việc đi dây tại chỗ, cho phép tích hợp liền mạch vào các hệ thống phân phối điện áp thấp khác nhau—dù là để nâng cấp hay dự án xây dựng mới.

Thông số kỹ thuật của máy biến dòng LMZW-0.66:

Tần số định mức 50/60Hz
Điện áp định mức 0,6kV hoặc 0,66 kV
Điện áp cao nhất cho thiết bị 0,72kV
Tần số nguồn chịu được điện áp 3kV
Tiêu chuẩn kỹ thuật phù hợp với IEC60044-1:2003 hoặc IEEE STD C57.13-2008
Kiểu Dòng sơ cấp định mức (A) Công suất định mức VA(cosФ=0,8lag)
0,2S 0.2 0,5S 0.5 1
LMZ-0,66 75-100 10-3,75 10-3,75 10-3,75 10-3.7510-3.75 10-3,75
LMZ-0,66 150-300 10-3,75 10-3,75 10-3,75 10-3,75 10-3,75
LMZ-0,66 400-750 10-3,75 10-3,75 10-3,75 10-3,75 10-3,75
LMZ-0,66 1000-1500 10-3,75 10-3,75 10-3,75 10-3,75 10-3,75


Tính năng sản phẩm

1. Hiệu suất ổn định

Máy biến dòng LMZW9-0.66 của nhà máy Comewill tuân thủ các tiêu chuẩn IEC 61869, IEC60044-1 và IEEE C57.13

Đo dòng điện chính xác trên nhiều dòng điện sơ cấp (75–1500A)

Đầu ra định mức 10–3,75 VA (cosφ=0,8 độ trễ) đảm bảo tín hiệu nhất quán cho đo sáng và bảo vệ


2. Thiết kế trong nhà gắn cố định

Đơn giản hóa việc nối dây và tích hợp vào các thiết bị đóng cắt và bảng điều khiển điện áp thấp

Giảm lỗi cài đặt và yêu cầu bảo trì

Thiết kế nhỏ gọn tối đa hóa việc sử dụng không gian bảng điều khiển


3. Phạm vi hoạt động rộng

Nhiệt độ hoạt động: -25oC đến +55oC

Độ ẩm tương đối: ≤90%, không ngưng tụ

Độ cao: 1000 mét so với mực nước biển

Môi trường trong nhà không ô nhiễm, không bụi và không có khí ăn mòn


4. An toàn và tuân thủ cao

Tần số nguồn chịu được điện áp: 3kV

Điện áp định mức: 0,6–0,66kV, điện áp thiết bị tối đa là 0,72kV

Được thiết kế để vận hành an toàn lâu dài trong mạng lưới phân phối điện áp thấp


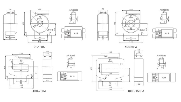
Kích thước phác thảo và lắp đặt

Công ty TNHH Điện Chào mừng (Ôn Châu)


Câu hỏi thường gặp


Q1: Bạn có phải là nhà máy hoặc công ty thương mại?

A1: Chúng tôi là một nhà máy, cho phép chúng tôi đưa ra mức giá rất cạnh tranh trực tiếp.


Câu 2: Quy trình kiểm soát chất lượng của bạn là gì?

A2: Chúng tôi đảm bảo tất cả các sản phẩm đều được kiểm tra 100% trước khi giao hàng.


Câu 3: Khi nào tôi có thể nhận được báo giá?

A3: Chúng tôi thường cung cấp báo giá trong vòng 24 giờ sau khi nhận được yêu cầu của bạn.


Q4: Làm thế nào tôi có thể lấy mẫu?

A4: Bạn có thể mua một mẫu, bao gồm chi phí mẫu và phí vận chuyển. Phí chuyển phát nhanh phụ thuộc vào số lượng và trọng lượng của mẫu.


Câu 5: Chi phí vận chuyển là bao nhiêu?

A5: Chi phí vận chuyển khác nhau tùy thuộc vào cảng đích.


Thẻ nóng: Máy biến dòng hiện tại LMZW9-0.66, Trung Quốc, Nhà sản xuất, Nhà cung cấp, Nhà máy, Bán buôn, Tùy chỉnh, Còn hàng, Sản xuất tại Trung Quốc, Giá thấp, Chất lượng
Gửi yêu cầu
Thông tin liên lạc
  • Địa chỉ

    Số 777 Đường Wanweng, Tiểu khu Wengyang, Thành phố Nhạc Thanh, Thành phố Ôn Châu, Tỉnh Chiết Giang, Trung Quốc

  • điện thoại

    +86-15224149953

Gửi yêu cầu tới Comewill về thiết bị đóng cắt, cầu dao chân không, máy biến dòng. Nhận báo giá tùy chỉnh, giá thấp hoặc hỗ trợ chuyên gia từ nhóm nhà máy Trung Quốc của chúng tôi.
X
Chúng tôi sử dụng cookie để cung cấp cho bạn trải nghiệm duyệt web tốt hơn, phân tích lưu lượng truy cập trang web và cá nhân hóa nội dung. Bằng cách sử dụng trang web này, bạn đồng ý với việc chúng tôi sử dụng cookie. Chính sách bảo mật
Từ chối Chấp nhận