Các sản phẩm
TRANG CHỦ > Sản phẩm
Thiết bị đóng cắt kết hợp điện áp thấp GGJ
  • Thiết bị đóng cắt kết hợp điện áp thấp GGJThiết bị đóng cắt kết hợp điện áp thấp GGJ

Thiết bị đóng cắt kết hợp điện áp thấp GGJ

Thiết bị đóng cắt kết hợp điện áp thấp GGJ được phát triển bởi Welcome (Wenzhou) Electric Co., Ltd., một nhà sản xuất chuyên nghiệp ở Trung Quốc, có thiết kế được hỗ trợ bởi máy tính và công nghệ điều khiển máy vi tính tích hợp để theo dõi và bù công suất phản kháng một cách thông minh. Tự hào với cấu trúc hợp lý và công nghệ trưởng thành, nó được ứng dụng rộng rãi trong lưới điện hạ thế.

Là nhà sản xuất chuyên nghiệp tại Trung Quốc, nhà máy Comewill mong muốn cung cấp cho bạn Thiết bị đóng cắt kết hợp điện áp thấp GGJ chất lượng cao, giúp tăng hệ số công suất một cách hiệu quả, giảm tổn thất công suất phản kháng và nâng cao chất lượng cung cấp điện. Được điều khiển bởi bộ điều khiển thông minh, nó cung cấp đầy đủ chức năng và hiệu suất đáng tin cậy với khả năng bù tự động, có khả năng nâng hệ số công suất lên trên 0,9.

Thiết bị đóng cắt kết hợp điện áp thấp GGJ cung cấp khả năng hiển thị thời gian thực về hệ số công suất lưới, bao gồm cả phạm vi độ trễ (0,00-0,99) và phạm vi dẫn đầu (0,00-0,99). Nó được trang bị các chức năng bảo vệ toàn diện chống quá điện áp, sóng hài quá mức, bù quá mức, lỗi hệ thống, mất pha, quá tải, v.v. Nó duy trì các thông số đã thiết lập ngay cả khi mất điện, tự động tiếp tục vận hành sau khi lưới điện ổn định—không cần nhân viên tại chỗ.

Dựa trên cân bằng tải lưới, Thiết bị đóng cắt kết hợp điện áp thấp GGJ hỗ trợ các chế độ bù từng pha hoặc bù hỗn hợp. Với khả năng chống nhiễu mạnh mẽ, nó chịu được các xung nhiễu biên độ 2000V trực tiếp từ lưới điện, vượt tiêu chuẩn ngành quốc gia. Mỗi giờ, thiết bị đo và ghi lại điện áp ba pha, dòng điện, tần số, công suất tác dụng, công suất phản kháng, hệ số công suất, năng lượng tác dụng, năng lượng phản kháng ở phía điện áp thấp của máy biến áp, cũng như tổng tốc độ biến dạng điện áp/dòng điện và nội dung hài bậc 2 đến bậc 25. Được trang bị giao diện RS-232 và RS-485, nó cho phép sao chép dữ liệu qua máy tính cầm tay.

Thông qua giao tiếp từ xa, nó đạt được khả năng đọc đồng hồ không dây, kiểm tra thiết bị, cấu hình tham số và truy cập vào dữ liệu được ghi và thời gian thực. Chức năng phân tích dữ liệu tích hợp của nó hỗ trợ xử lý, thống kê và truy vấn dữ liệu tải vận hành. Nó đánh giá toàn diện chất lượng nguồn điện bằng cách tính toán tỷ lệ tiêu chuẩn điện áp, tốc độ tải, tỷ lệ tin cậy và tốc độ tải tối đa. Người dùng có thể kiểm tra hệ số công suất, công suất tác dụng và công suất phản kháng trong các khoảng thời gian khác nhau, tạo đường cong cho điện áp pha, dòng điện, hệ số công suất, v.v. và in các báo cáo thống kê và phân tích toàn diện.

Thực thi các tiêu chuẩn

IEC439:《Thiết bị đóng cắt và điều khiển điện áp thấp》
GB7251:《Thiết bị chuyển mạch điện áp thấp》

Loại mô tả

Tình trạng dịch vụ bình thường

1. Nhiệt độ không khí xung quanh không được vượt quá +40oC hoặc dưới -5oC và nhiệt độ trung bình trong 24 giờ không được vượt quá +35oC. Nếu các giới hạn nhiệt độ này bị vượt qua, bạn sẽ cần phải giảm công suất hoạt động của thiết bị dựa trên điều kiện thực tế.
2. Thiết bị đóng cắt kết hợp điện áp thấp GGJ này chỉ được thiết kế để sử dụng trong nhà và độ cao của vị trí lắp đặt không được vượt quá 2000 mét.
3.Khi nhiệt độ tối đa đạt +40oC, độ ẩm tương đối của không khí xung quanh phải ở mức dưới 50%. Ở nhiệt độ thấp hơn, độ ẩm cao hơn có thể chấp nhận được—ví dụ: 90% ở +20oC. Bạn cũng nên tính đến hiện tượng ngưng tụ không thường xuyên có thể hình thành do sự dao động nhiệt độ.
4.Trong quá trình lắp đặt, độ nghiêng của thiết bị so với mặt phẳng thẳng đứng không được quá 5° và toàn bộ dãy tủ phải ở mức tương đối. Điều quan trọng là phải lắp đặt thiết bị ở vị trí không bị rung và va đập mạnh, nơi các bộ phận điện sẽ không bị ăn mòn quá mức.

Chiều rộng tủ (A) Độ sâu tủ (B) Khoảng cách lỗ lắp (a) Khoảng cách lỗ lắp (b)
800 500 685 385
600 800 485 685
600 1000 485 885
800 800 685 685
800 1000 685 885
1000 800 885 685
1000 1000 885 885
Mục Thông số
Điện áp cách điện định mức (V) 660
Điện áp hoạt động định mức (V) 380/660
Điện áp định mức mạch phụ (V) AC 220/380
DC 110/220
Tần số hoạt động (Hz) 50- 60
Dòng điện định mức (A) Thanh cái ngang <3150
Thanh Bus dọc 630/800
Xếp hạng chịu được thời gian ngắn hiện tại Đường giữa (kA/1 s) 50
Thanh cái (kA/1 s) 30
Dòng điện cực đại định mức (kA/0,1 s) 105/50
Công suất phá vỡ đơn vị chức năng (kA) 50 (giá trị hiệu quả)
Mức độ bảo vệ tủ IP40
Thanh cái Hệ thống ba pha bốn dây, hệ thống ba pha năm dây
Chế độ vận hành Tại chỗ, từ xa và tự động

Sức mạnh

1.Để cân nhắc mua sắm: Thiết bị đóng cắt kết hợp điện áp thấp GGJ của Công ty TNHH Điện Welcome (Ôn Châu) có nhiều khe thông gió ở cả trên và dưới tủ. Thiết kế này tạo ra luồng không khí tự nhiên từ dưới lên trên bên trong tủ kín, giải quyết hiệu quả các thách thức về tản nhiệt để vận hành đáng tin cậy.
2. Cửa thiết bị của thiết bị đóng cắt—được trang bị các bộ phận điện—và các bộ phận lắp bên trong tạo thành một mạch bảo vệ nối đất hoàn chỉnh, đảm bảo tính liên tục nối đất nhất quán mọi lúc.
3.Chúng tôi đặt các thanh cái chính ở phía trên phía sau của tủ, kết hợp với các kẹp thanh cái loại AMJ được chế tạo từ vật liệu DMC/SMC polyester không bão hòa có độ bền cao. Những chiếc kẹp này mang lại độ bền cơ học và hiệu suất cách điện vượt trội, đồng thời nắp trên của tủ có thể tháo rời giúp đơn giản hóa việc lắp ráp và điều chỉnh tại chỗ các thanh cái chính.
4. Tủ có lớp sơn tĩnh điện để có độ bám dính chắc chắn và tất cả các bộ phận bên trong đều trải qua quá trình xử lý mạ điện và thụ động. Điều này giúp nâng cao khả năng “ba khả năng chống chịu” của thiết bị đóng cắt: chống ẩm, chống bụi và chống ăn mòn, kéo dài tuổi thọ sử dụng của thiết bị trong nhiều môi trường khác nhau.
5. Để phù hợp với các nhu cầu khác nhau của dự án, Thiết bị đóng cắt kết hợp điện áp thấp GGJ hỗ trợ nhiều tùy chọn đầu vào cáp—đầu vào trên, đầu vào dưới cùng và đầu vào phía sau—cung cấp khả năng lắp đặt linh hoạt cho các dự án mua sắm.

Hướng dẫn đặt hàng

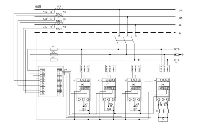
◇ Sơ đồ mạch chính;
◇ Năng lực bồi thường và phương thức bồi thường;
◇ Nếu nó không phù hợp với điều kiện hoạt động bình thường của sản phẩm thì phải được xác định trước.


Thẻ nóng: Thiết bị đóng cắt kết hợp điện áp thấp GGJ, Trung Quốc, Nhà sản xuất, Nhà cung cấp, Nhà máy, Bán buôn, Tùy chỉnh, Còn hàng, Sản xuất tại Trung Quốc, Giá thấp, Chất lượng
Gửi yêu cầu
Thông tin liên lạc
  • Địa chỉ

    Số 777 Đường Wanweng, Tiểu khu Wengyang, Thành phố Nhạc Thanh, Thành phố Ôn Châu, Tỉnh Chiết Giang, Trung Quốc

  • điện thoại

    +86-15224149953

Gửi yêu cầu tới Comewill về thiết bị đóng cắt, cầu dao chân không, máy biến dòng. Nhận báo giá tùy chỉnh, giá thấp hoặc hỗ trợ chuyên gia từ nhóm nhà máy Trung Quốc của chúng tôi.
X
Chúng tôi sử dụng cookie để cung cấp cho bạn trải nghiệm duyệt web tốt hơn, phân tích lưu lượng truy cập trang web và cá nhân hóa nội dung. Bằng cách sử dụng trang web này, bạn đồng ý với việc chúng tôi sử dụng cookie. Chính sách bảo mật
Từ chối Chấp nhận